|
الجهد االكهربى |
تيار متردد 220 فولت |
|
أقصى تدفق |
5.1 متر مكعب/ساعة |
|
ماكس هيد |
23 م |
|
ج التواصل |
تعديل عرض النبضة |
|
قوة |
440 واط |
|
فئة IP |
IP67 |
|
موصل |
تشاك |
البند لا.:
EPA 25-23ZAXموثوقية عالية: خالية من الصيانة، ولا تحتوي على أجزاء معرضة للتآكل
محرك متزامن مغناطيسي دائم مضغوط: صغير الحجم وسهل التركيب والتشغيل
مقاومة للتآكل: متين في البيئات القاسية
CAN/RS-485 اختياري: خيارات اتصال مرنة
كابل متكامل: توصيلات مبسطة من قطعة واحدة
الحماية المضمنة: حماية من الجهد الزائد والجهد المنخفض والتيار الزائد
الخيط القياسي: عالمي، سهل التركيب
التردد المتغير: كفاءة عالية وتوفير الطاقة
متطلبات الوسائط
|
الوسط: الماء أو خليط الماء + الجليكول (≤ 50%) |
درجة الحرارة المتوسطة: -40 درجة مئوية ~ 100 درجة مئوية |
|
قيمة الرقم الهيدروجيني للوسط: 6.5-8.5 |
صلابة متوسطة: 25 درجة فهرنهايت |
|
محتوى الشوائب الصلبة في الوسط: القطر واتجاه طول الشوائب الصلبة ≤ 0.1 مم، ونسبة الحجم ≤ 0.1%. |
|
متطلبات بيئة الخدمة
|
الاستخدام: الحفاظ على العمود أفقيًا |
الارتفاع: < 4000م |
|
درجة حرارة التشغيل المحيطة: -40 درجة مئوية ~ 110 درجة مئوية (لا يوجد تجميد في الأنابيب ومضخة المياه) |
رطوبة البيئة التشغيلية ≤95% |
متطلبات بيئة التخزين
|
درجة حرارة التخزين المحيطة: -40 درجة مئوية ~ 125 درجة مئوية (لا يوجد تجميد في الأنابيب ومضخة المياه) |
رطوبة بيئة التخزين: ≤95% |
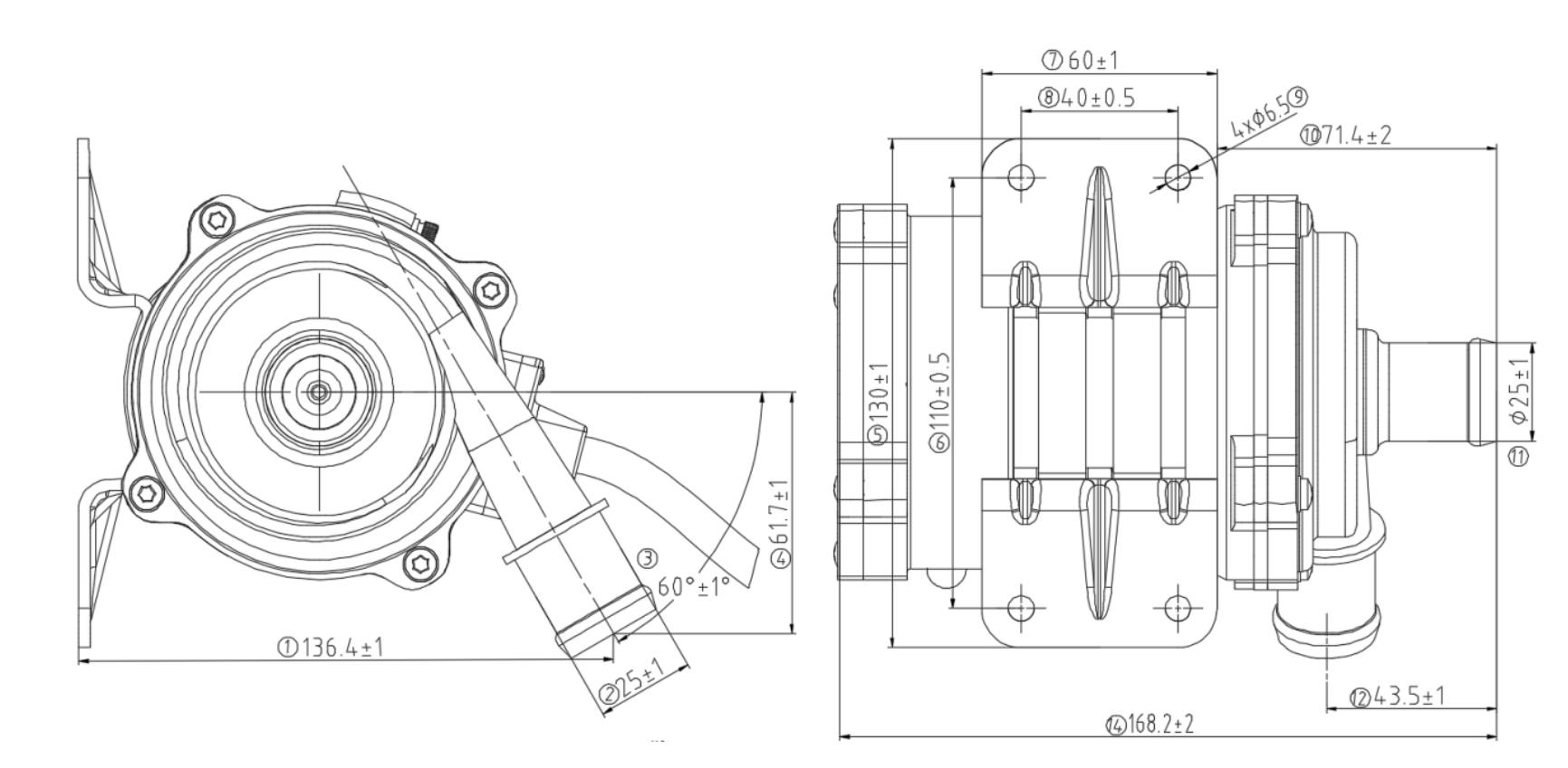
رسم التثبيت


العلامات :